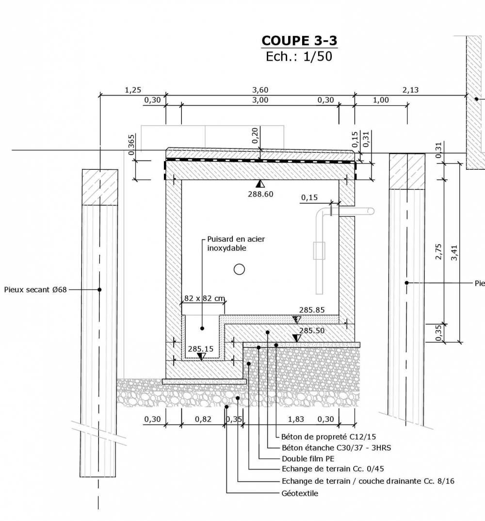
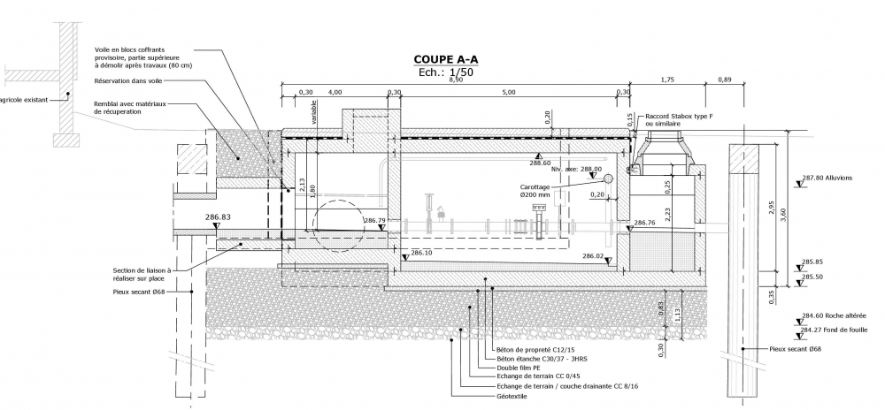
RÜ NF3

Regenüberlaufbecken Niederfeulen 3

Lageplan im PDF-Format