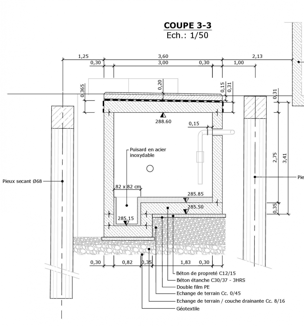
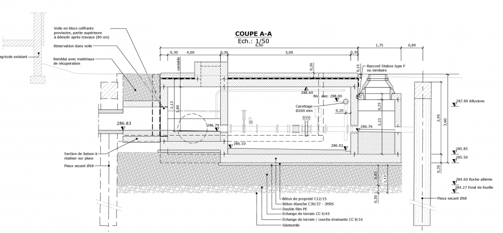
BO NF3

Bassin d'orage Niederfeulen 3

plan de localisation en format PDF